131 38 124 113 107 125 123 114 115 126 32 108 116 128 118 119 120 111 110 127 117 129 112 106 130 36
KERA.Base

Coudes

dessin technique


Diamètre DN 100

100
300

Type de joint

Système d’assemblage

Poids
6 kg/pce
CL
34

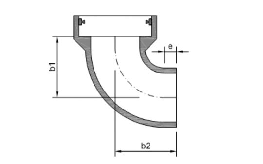
Dimension

Diamètre Dimensions 90° +/- 5°
DN e max.
mm
r min
mm
b1
mm
b2
mm
100 70 100 200 200

Brève description

* 15° ± 3°; 30° ± 4°; 45° ± 5°; 90° ± 5°

Les valeurs b1 et b2 sont des valeurs de référence. Les coudes 90° sont utilisés pour le raccordement de colonnes de chute. Ils ne sont pas autorisés sur les conduites enterrées. Mesures restantes et résistance à l'écrasement comme les tuyaux. Diamètres plus grands sur demande.

Les tuyaux et raccords en grès correspondent à la norme EN 295-1. Le programme de certification ZP WN 295 ajoute des exigences complémentaires.

Toutes les mesures – en particulier lors de l'assemblage avec des produits étrangers – doivent être contrôlées et répondent aux directives de EN 295 et du programme de certification ZP WN 295. Sous réserve de modifications techniques.